Будьте всегда в курсе!
Узнавайте о скидках и акциях первым
Новости
Все новости
1 июня 2022
Туалетные кабинки EcoGR
10 марта 2022
Инструмент от компани SLOGGER
6 октября 2021
Kiilto Saumalaasti затирка для швов новинка
21 июня 2021
Наконец-то мы переехали на новый сайт!
16 апреля 2021
Рулонные шторы LEGRAND в Дмитрове в наличии и на заказ
23 октября 2020
Новинки в продаже от INGCO инструмент
4 ноября 2019
Уже открылись!!!
Труба фановая АНИ Пласт W1218 110х120 мм
160 ₽/шт
Нет в наличии
Наши менеджеры обязательно свяжутся с вами и уточнят условия заказа
Цена действительна только для интернет-магазина и может отличаться от цен в розничных магазинах
Задать вопрос
- Описание
- Характеристики
- Отзывы
- Задать вопрос
- Дополнительно
-
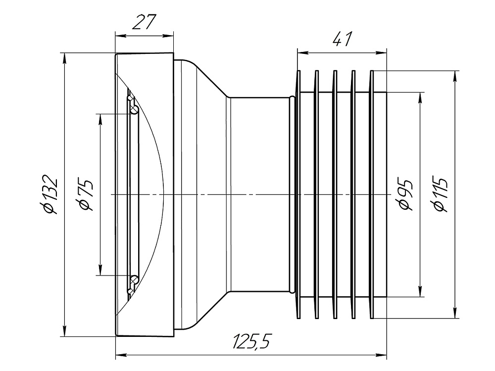
ОписаниеФановая труба АНИ Пласт W1218 110х120 мм предназначена для подключения унитаза к канализационной системе с использованием чугунных труб диаметром 110 мм. Изделие выполнено из прочного полипропилена, устойчивого к воздействию агрессивных сред и перепадам температур. Труба обеспечивает герметичное и надёжное соединение, предотвращая протечки и появление неприятных запахов в санузле. Благодаря компактной длине 120 мм, труба идеально подходит для монтажа в ограниченном пространстве и совместима с большинством стандартных чугунных канализационных стояков.
Монтаж фановой трубы W1218 не требует специальных инструментов и может быть выполнен самостоятельно. Она обеспечивает эффективную вентиляцию канализационной системы, что способствует стабильной работе всей системы водоотведения.
Преимущества фановой трубы АНИ Пласт W1218:
Совместимость с чугунными канализационными трубами диаметром 110 мм.
Герметичное соединение и отсутствие протечек.
Высокая прочность и устойчивость к химическим воздействиям.
Компактные размеры для установки в ограниченном пространстве.
Простота и удобство монтажа.
Эффективная вентиляция канализационной системы. -
Характеристики
Страна Россия ОтзывыЗадать вопросВы можете задать любой интересующий вас вопрос по товару или работе магазина.
Наши квалифицированные специалисты обязательно вам помогут.ДополнительноДополнительная вкладка, для размещения информации о магазине, доставке или любого другого важного контента. Поможет вам ответить на интересующие покупателя вопросы и развеять его сомнения в покупке. Используйте её по своему усмотрению.
Вы можете убрать её или вернуть обратно, изменив одну галочку в настройках компонента. Очень удобно.

























































































