Будьте всегда в курсе!
Узнавайте о скидках и акциях первым
Новости
Все новости
1 июня 2022
Туалетные кабинки EcoGR
10 марта 2022
Инструмент от компани SLOGGER
6 октября 2021
Kiilto Saumalaasti затирка для швов новинка
21 июня 2021
Наконец-то мы переехали на новый сайт!
16 апреля 2021
Рулонные шторы LEGRAND в Дмитрове в наличии и на заказ
23 октября 2020
Новинки в продаже от INGCO инструмент
4 ноября 2019
Уже открылись!!!
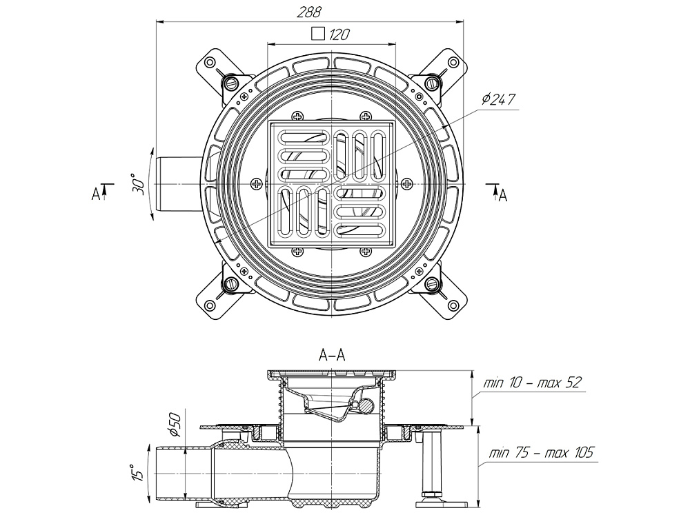
Трап для душа АНИ Пласт TVQ5614 DN50 горизонтальный регулируемый с сухим затвором и решёткой из нержавеющей стали 120х120 мм
Нет в наличии
Цена действительна только для интернет-магазина и может отличаться от цен в розничных магазинах
Задать вопрос
- Описание
- Характеристики
- Отзывы
- Задать вопрос
- Дополнительно
-
ОписаниеТрап для душа АНИ Пласт TVQ5614 — это точечный сливной трап с сухим затвором, предназначенный для отвода воды из душевой комнаты или кабины в канализацию. Модель оснащена горизонтальным регулируемым выпуском из пластика и решёткой. Конструкция препятствует попаданию загрязняющих частиц в канализацию, предотвращает засоры и легко чистится.
Преимущества трапа АНИ Пласт TVQ5614:
Препятствует проникновению неприятных запахов из канализации.
Решётка устойчива к влаге и проста в уходе.
Компактные размеры для удобства монтажа.
Лёгкая очистка и обслуживание.
Новый пластиковый корпус - с широкой юбкой (диаметр 250 мм), для более надежной фиксации гидроизоляции, четыре опорные ноги с регулировкой высоты позволяют осуществить точный монтаж по уровню, а шарнирный выпуск удобен для регулировки наклона слива воды в канализацию.
Технические характеристики трапа АНИ Пласт TVQ5614:
Тип трапа: точечный.
Выпуск: горизонтальный, регулируемый, Ø50 мм, пластик.
Тип затвора: сухой.
Решётка: нержавеющая сталь, 120×120 мм.
Страна производства: Россия.
Комплектация:
Точечный трап в сборе.
Упаковка. -
Характеристики
Страна Россия ОтзывыЗадать вопросВы можете задать любой интересующий вас вопрос по товару или работе магазина.
Наши квалифицированные специалисты обязательно вам помогут.ДополнительноДополнительная вкладка, для размещения информации о магазине, доставке или любого другого важного контента. Поможет вам ответить на интересующие покупателя вопросы и развеять его сомнения в покупке. Используйте её по своему усмотрению.
Вы можете убрать её или вернуть обратно, изменив одну галочку в настройках компонента. Очень удобно.


























































































