Будьте всегда в курсе!
Узнавайте о скидках и акциях первым
Новости
Все новости
1 июня 2022
Туалетные кабинки EcoGR
10 марта 2022
Инструмент от компани SLOGGER
6 октября 2021
Kiilto Saumalaasti затирка для швов новинка
21 июня 2021
Наконец-то мы переехали на новый сайт!
16 апреля 2021
Рулонные шторы LEGRAND в Дмитрове в наличии и на заказ
23 октября 2020
Новинки в продаже от INGCO инструмент
4 ноября 2019
Уже открылись!!!
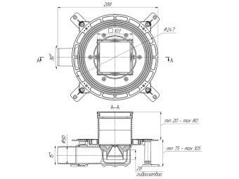
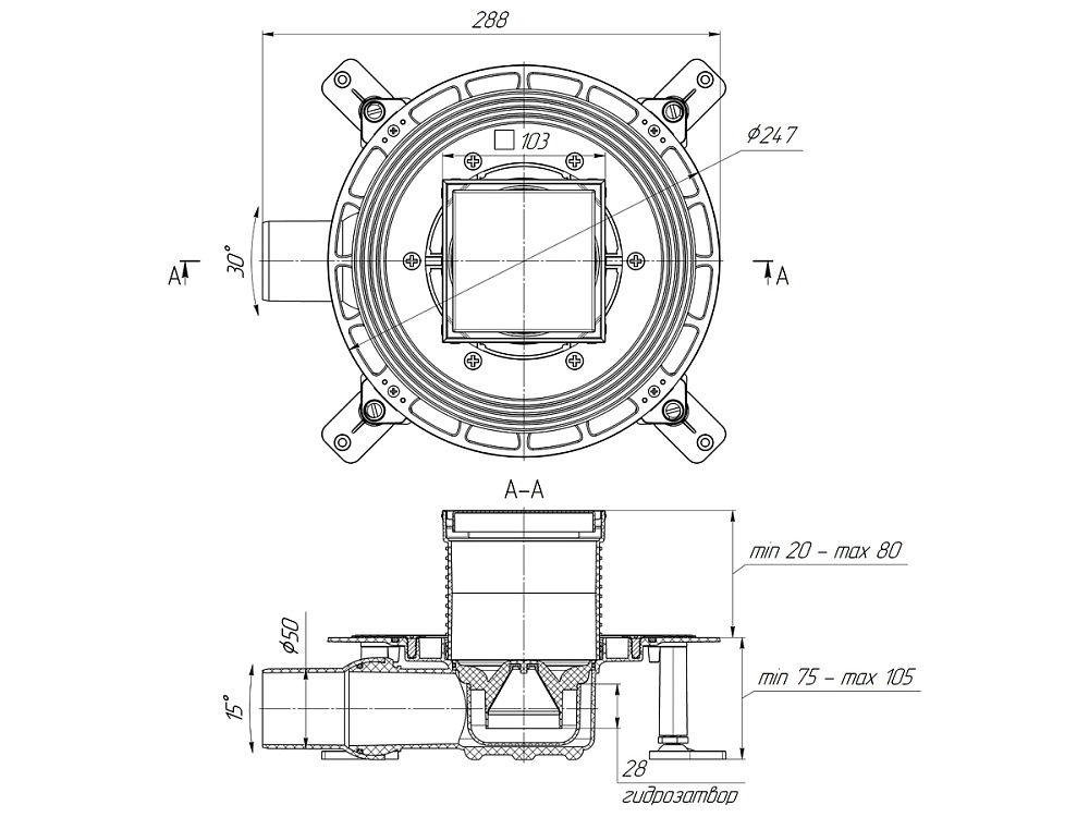
Трап для душа АНИ Пласт TVZ5802 DN50 горизонтальный регулируемый с комбинированным затвором и решёткой из нержавеющей стали 100х100 мм под плитку
Нет в наличии
Цена действительна только для интернет-магазина и может отличаться от цен в розничных магазинах
Задать вопрос
- Описание
- Характеристики
- Отзывы
- Задать вопрос
- Дополнительно
-
ОписаниеТрап для душа АНИ Пласт TVZ5802 — это точечный сливной трап с комбинированным гидрозатвором, предназначенный для эффективного отвода воды из душевой зоны в канализацию. Модель оснащена горизонтальным регулируемым выпуском из пластика диаметром 50 мм и решёткой двойного использования 100×100 мм, которую можно использовать как в стандартном виде, так и под укладку плитки. Корпус выполнен из прочного пластика и снабжён широкой юбкой диаметром 250 мм для надёжной фиксации гидроизоляции, что обеспечивает долговечность и устойчивость к воздействию влаги. Конструкция препятствует попаданию загрязняющих частиц в канализацию, предотвращает засоры и легко чистится.
Преимущества трапа АНИ Пласт TVZ5802:
Комбинированный гидрозатвор эффективно защищает от неприятных запахов из канализации.
Решётка двойного использования: подходит для стандартного монтажа и для укладки плитки.
Широкая юбка корпуса.
Компактные размеры для удобства монтажа в ограниченном пространстве.
Лёгкая очистка и обслуживание.
Технические характеристики трапа АНИ Пласт TVZ5802:
Тип трапа: точечный.
Выпуск: горизонтальный, регулируемый, Ø50 мм, пластик.
Тип затвора: комбинированный гидрозатвор.
Решётка: двойного использования, нержавеющая сталь, 100×100 мм.
Материал корпуса: пластик.
Страна производства: Россия.
Комплектация:
Точечный трап в сборе.
Упаковка. -
Характеристики
Страна Россия ОтзывыЗадать вопросВы можете задать любой интересующий вас вопрос по товару или работе магазина.
Наши квалифицированные специалисты обязательно вам помогут.ДополнительноДополнительная вкладка, для размещения информации о магазине, доставке или любого другого важного контента. Поможет вам ответить на интересующие покупателя вопросы и развеять его сомнения в покупке. Используйте её по своему усмотрению.
Вы можете убрать её или вернуть обратно, изменив одну галочку в настройках компонента. Очень удобно.


























































































