Будьте всегда в курсе!
Узнавайте о скидках и акциях первым
Новости
Все новости
1 июня 2022
Туалетные кабинки EcoGR
10 марта 2022
Инструмент от компани SLOGGER
6 октября 2021
Kiilto Saumalaasti затирка для швов новинка
21 июня 2021
Наконец-то мы переехали на новый сайт!
16 апреля 2021
Рулонные шторы LEGRAND в Дмитрове в наличии и на заказ
23 октября 2020
Новинки в продаже от INGCO инструмент
4 ноября 2019
Уже открылись!!!
Трап для душа АНИ Пласт THQ5802 DN 50 горизонтальный регулируемый с сухим затвором и решёткой из нержавеющей стали 100х100 мм под плитку
Нет в наличии
Цена действительна только для интернет-магазина и может отличаться от цен в розничных магазинах
Задать вопрос
- Описание
- Характеристики
- Отзывы
- Задать вопрос
- Дополнительно
-
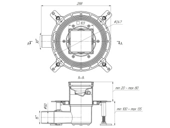
ОписаниеТрап для душа АНИ Пласт THQ5802 — это современное решение для организации эффективного водоотвода в душевых и ванных комнатах. Модель оснащена сухим затвором, который предотвращает проникновение неприятных запахов из канализации, а также широкой юбкой корпуса для надёжной фиксации гидроизоляции и прочной решёткой из нержавеющей стали. Благодаря продуманной конструкции трап легко монтируется и обеспечивает надёжную работу даже при нерегулярном использовании душа.
Преимущества трапа АНИ Пласт THQ5802:
Сухой затвор препятствует проникновению неприятных запахов из канализации.
Широкая юбка (диаметр 250 мм) пластикового корпуса обеспечивает надёжную фиксацию гидроизоляции.
Решётка из нержавеющей стали выдерживает значительные нагрузки.
Высокая пропускная способность обеспечивает быстрый отвод воды.
Технические характеристики трапа АНИ Пласт THQ5802:
Тип трапа: точечный, с сухим затвором.
Выпуск: вертикальный, Ø50 мм (пластик).
Материал решётки: нержавеющая сталь.
Размер решётки: 100×100 мм.
Решетка подходит под плитку.
Страна производства: Россия.
Комплектация:
Точечный трап в сборе.
Упаковка. -
Характеристики
Страна Россия ОтзывыЗадать вопросВы можете задать любой интересующий вас вопрос по товару или работе магазина.
Наши квалифицированные специалисты обязательно вам помогут.ДополнительноДополнительная вкладка, для размещения информации о магазине, доставке или любого другого важного контента. Поможет вам ответить на интересующие покупателя вопросы и развеять его сомнения в покупке. Используйте её по своему усмотрению.
Вы можете убрать её или вернуть обратно, изменив одну галочку в настройках компонента. Очень удобно.


























































































