Будьте всегда в курсе!
Узнавайте о скидках и акциях первым
Новости
Все новости
1 июня 2022
Туалетные кабинки EcoGR
10 марта 2022
Инструмент от компани SLOGGER
6 октября 2021
Kiilto Saumalaasti затирка для швов новинка
21 июня 2021
Наконец-то мы переехали на новый сайт!
16 апреля 2021
Рулонные шторы LEGRAND в Дмитрове в наличии и на заказ
23 октября 2020
Новинки в продаже от INGCO инструмент
4 ноября 2019
Уже открылись!!!
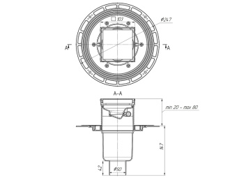
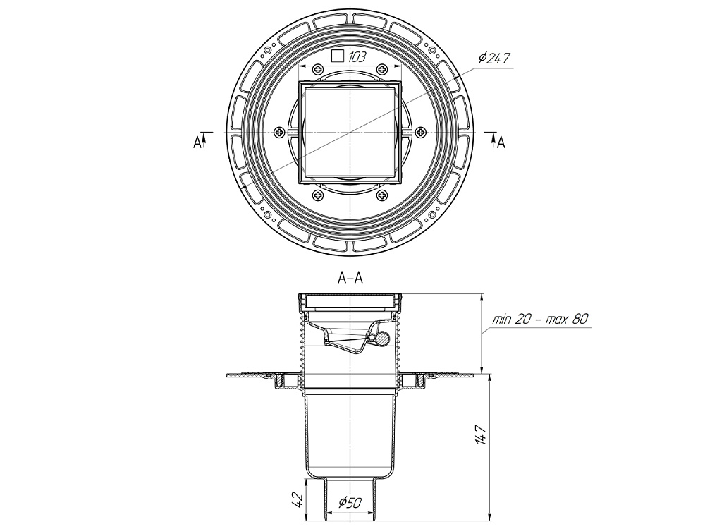
Трап для душа АНИ Пласт THQ5902 DN50 вертикальный регулируемый с сухим затвором и решёткой из нержавеющей стали 100х100 мм
Нет в наличии
Цена действительна только для интернет-магазина и может отличаться от цен в розничных магазинах
Задать вопрос
- Описание
- Характеристики
- Отзывы
- Задать вопрос
- Дополнительно
-
ОписаниеТрап для душа вертикальный регулируемый АНИ Пласт THQ5902 — современное решение для эффективного водоотвода в душевых и ванных комнатах. Модель оснащена сухим затвором, предотвращающим проникновение запахов из канализации, и прочной решёткой из нержавеющей стали. Широкая юбка корпуса обеспечивает надёжную фиксацию гидроизоляции, а продуманная конструкция упрощает монтаж и гарантирует долговечность даже при нерегулярном использовании. Универсальная двухсторонняя решётка позволяет использовать изделие как в классическом исполнении из нержавеющей стали, так и под укладку плитки или влагостойкого дерева, что делает трап практически незаметным в интерьере.
Преимущества трапа АНИ Пласт THQ5902:
Сухой затвор блокирует проникновение канализационных запахов.
Широкая юбка корпуса (250 мм) повышает надёжность крепления гидроизоляции.
Решётка из нержавеющей стали выдерживает нагрузку до 300 кг.
Высокая пропускная способность (65 л/мин) обеспечивает быстрый отвод воды.
Конструкция совместима с системами тёплого пола.
Комплектация:
Точечный трап в сборе.
Упаковка. -
Характеристики
Страна Россия ОтзывыЗадать вопросВы можете задать любой интересующий вас вопрос по товару или работе магазина.
Наши квалифицированные специалисты обязательно вам помогут.ДополнительноДополнительная вкладка, для размещения информации о магазине, доставке или любого другого важного контента. Поможет вам ответить на интересующие покупателя вопросы и развеять его сомнения в покупке. Используйте её по своему усмотрению.
Вы можете убрать её или вернуть обратно, изменив одну галочку в настройках компонента. Очень удобно.


























































































