Будьте всегда в курсе!
Узнавайте о скидках и акциях первым
Новости
Все новости
1 июня 2022
Туалетные кабинки EcoGR
10 марта 2022
Инструмент от компани SLOGGER
6 октября 2021
Kiilto Saumalaasti затирка для швов новинка
21 июня 2021
Наконец-то мы переехали на новый сайт!
16 апреля 2021
Рулонные шторы LEGRAND в Дмитрове в наличии и на заказ
23 октября 2020
Новинки в продаже от INGCO инструмент
4 ноября 2019
Уже открылись!!!
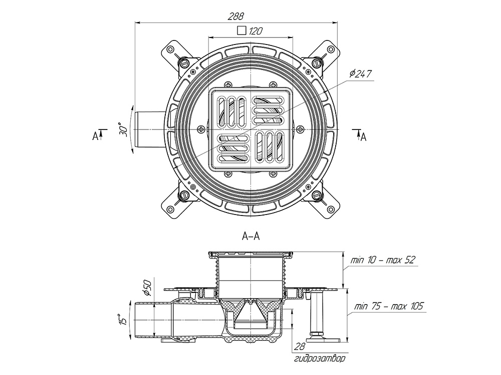
Трап для душа АНИ Пласт TVZ5614M DN50 горизонтальный регулируемый с комбинированным затвором, решёткой и обрешеткой из нержавеющей стали 120х120 мм
Нет в наличии
Цена действительна только для интернет-магазина и может отличаться от цен в розничных магазинах
Задать вопрос
- Описание
- Характеристики
- Отзывы
- Задать вопрос
- Дополнительно
-
ОписаниеТрап для душа горизонтальный регулируемый TVZ5614M с комбинированным затвором - современное решение для организации эффективного водоотвода в душевых помещениях. Модель оснащена прочной решёткой из нержавеющей стали и инновационной системой комбинированного затвора, обеспечивающей надёжную защиту от канализационных запахов и засоров. Уникальная конструкция с регулируемыми опорами позволяет выполнять точный монтаж на различных уровнях, а шарнирный выпуск обеспечивает оптимальный угол слива воды.
Преимущества трапа TVZ5614M:
Комбинированный затвор гарантирует двойную защиту от проникновения запахов и засорения.
Прочная решётка 120×120 мм из нержавеющей стали устойчива к нагрузкам до 300 кг.
Четыре регулируемые опорные ноги обеспечивают точную установку по уровню.
Широкая монтажная юбка диаметром 250 мм создаёт надёжное соединение с гидроизоляционным слоем.
Шарнирная система выпуска позволяет регулировать угол наклона для эффективного водоотведения.
Технические характеристики:
Высота гидрозатвора: 28 мм.
Пропускная способность: 38 л/мин.
Комплектация:
Трап в сборе.
Упаковка. -
Характеристики
Страна Россия ОтзывыЗадать вопросВы можете задать любой интересующий вас вопрос по товару или работе магазина.
Наши квалифицированные специалисты обязательно вам помогут.ДополнительноДополнительная вкладка, для размещения информации о магазине, доставке или любого другого важного контента. Поможет вам ответить на интересующие покупателя вопросы и развеять его сомнения в покупке. Используйте её по своему усмотрению.
Вы можете убрать её или вернуть обратно, изменив одну галочку в настройках компонента. Очень удобно.


























































































