Будьте всегда в курсе!
Узнавайте о скидках и акциях первым
Новости
Все новости
1 июня 2022
Туалетные кабинки EcoGR
10 марта 2022
Инструмент от компани SLOGGER
6 октября 2021
Kiilto Saumalaasti затирка для швов новинка
21 июня 2021
Наконец-то мы переехали на новый сайт!
16 апреля 2021
Рулонные шторы LEGRAND в Дмитрове в наличии и на заказ
23 октября 2020
Новинки в продаже от INGCO инструмент
4 ноября 2019
Уже открылись!!!
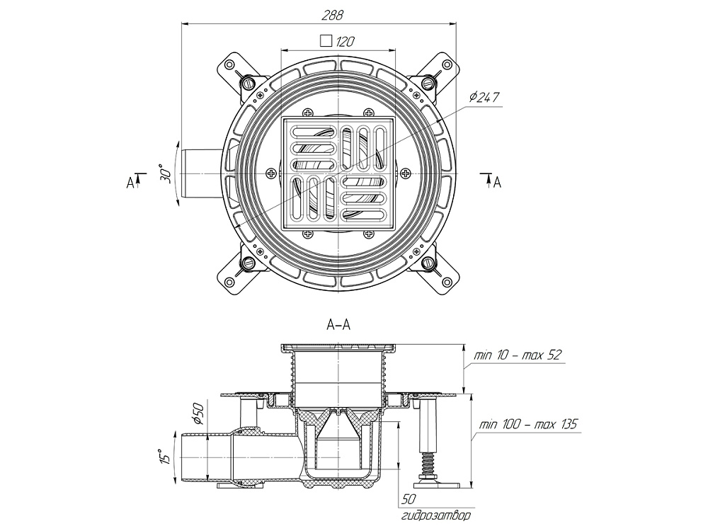
Трап для душа АНИ Пласт THZ5614 горизонтальный регулируемый с комбинированным затвором и решёткой из нержавеющей стали 120х120 мм
Нет в наличии
Цена действительна только для интернет-магазина и может отличаться от цен в розничных магазинах
Задать вопрос
- Описание
- Характеристики
- Отзывы
- Задать вопрос
- Дополнительно
-
ОписаниеТрап для душа горизонтальный регулируемый THZ5614 с комбинированным затвором представляет собой инновационное решение для эффективного водоотвода в душевых зонах. Модель оснащена решёткой из нержавеющей стали и уникальной системой комбинированного затвора, обеспечивающей двойную защиту от запахов и засоров. Регулируемая конструкция корпуса с четырьмя опорными ногами позволяет выполнять точный монтаж на любом уровне, а шарнирный выпуск обеспечивает оптимальный угол наклона для слива.
Преимущества трапа THZ5614:
Комбинированный затвор обеспечивает двойную защиту от канализационных запахов и засоров.
Решётка 120×120 мм из нержавеющей стали выдерживает нагрузку до 300 кг.
Регулируемая конструкция с четырьмя опорными ногами позволяет точно выставить уровень монтажа.
Широкая юбка корпуса диаметром 250 мм гарантирует надёжное соединение с гидроизоляцией.
Шарнирный выпуск обеспечивает удобную регулировку угла наклона для слива.
Технические характеристики:
Высота гидрозатвора: 50 мм.
Пропускная способность: 45 л/мин.
Комплектация:
Точечный трап в сборе.
Упаковка. -
Характеристики
Страна Россия ОтзывыЗадать вопросВы можете задать любой интересующий вас вопрос по товару или работе магазина.
Наши квалифицированные специалисты обязательно вам помогут.ДополнительноДополнительная вкладка, для размещения информации о магазине, доставке или любого другого важного контента. Поможет вам ответить на интересующие покупателя вопросы и развеять его сомнения в покупке. Используйте её по своему усмотрению.
Вы можете убрать её или вернуть обратно, изменив одну галочку в настройках компонента. Очень удобно.


























































































