Будьте всегда в курсе!
Узнавайте о скидках и акциях первым
Новости
Все новости
1 июня 2022
Туалетные кабинки EcoGR
10 марта 2022
Инструмент от компани SLOGGER
6 октября 2021
Kiilto Saumalaasti затирка для швов новинка
21 июня 2021
Наконец-то мы переехали на новый сайт!
16 апреля 2021
Рулонные шторы LEGRAND в Дмитрове в наличии и на заказ
23 октября 2020
Новинки в продаже от INGCO инструмент
4 ноября 2019
Уже открылись!!!
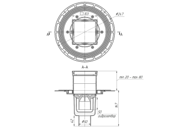
Трап вертикальный регулируемый АНИ Пласт THA5902 выпуск 50 мм с решеткой из нержавеющей стали 100х100 мм под плитку
Нет в наличии
Цена действительна только для интернет-магазина и может отличаться от цен в розничных магазинах
Задать вопрос
- Описание
- Характеристики
- Отзывы
- Задать вопрос
- Дополнительно
-
ОписаниеТрап для душа АНИ Пласт THA5902 — это вертикальный точечный сливной трап с гидрозатвором, предназначенный для отвода воды из душевой комнаты в канализацию. Модель оснащена вертикальным выпуском из пластика диаметром 50 мм и решёткой из нержавеющей стали размером 100×100 мм, предназначенной для укладки под плитку. Пропускная способность составляет 60 л/мин, высота гидрозатвора — 28 мм, минимальная монтажная высота — от 75 мм. Корпус выполнен из пластика с широкой юбкой диаметром 250 мм для надёжной фиксации гидроизоляции. Четыре опорные ноги с регулировкой высоты обеспечивают точный монтаж по уровню. Решётка выдерживает статическую нагрузку до 300 кг. Конструкция препятствует попаданию загрязняющих частиц в канализацию, предотвращает засоры и легко чистится.
Преимущества трапа АНИ Пласт THA5902:
Вертикальный выпуск для эффективного отвода воды.
Возможность установки под плитку для эстетичного вида пола.
Простая регулировка высоты для точного монтажа.
Долговечная решётка из нержавеющей стали.
Лёгкая очистка и обслуживание.
Комплектация:
Точечный трап в сборе;
Упаковка. -
Характеристики
Страна Россия ОтзывыЗадать вопросВы можете задать любой интересующий вас вопрос по товару или работе магазина.
Наши квалифицированные специалисты обязательно вам помогут.ДополнительноДополнительная вкладка, для размещения информации о магазине, доставке или любого другого важного контента. Поможет вам ответить на интересующие покупателя вопросы и развеять его сомнения в покупке. Используйте её по своему усмотрению.
Вы можете убрать её или вернуть обратно, изменив одну галочку в настройках компонента. Очень удобно.


























































































