Будьте всегда в курсе!
Узнавайте о скидках и акциях первым
Новости
Все новости
1 июня 2022
Туалетные кабинки EcoGR
10 марта 2022
Инструмент от компани SLOGGER
6 октября 2021
Kiilto Saumalaasti затирка для швов новинка
21 июня 2021
Наконец-то мы переехали на новый сайт!
16 апреля 2021
Рулонные шторы LEGRAND в Дмитрове в наличии и на заказ
23 октября 2020
Новинки в продаже от INGCO инструмент
4 ноября 2019
Уже открылись!!!
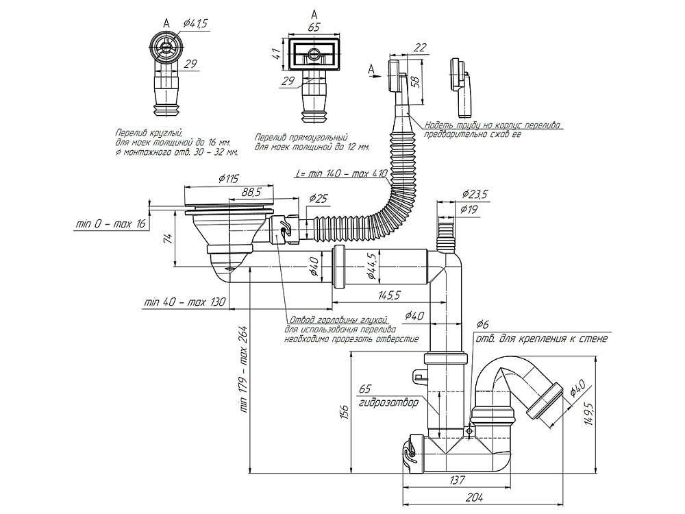
Cифон для мойки АНИ Пласт F серия F5345S 3 1/2 дюйма 40 мм смещенный с гибким переливом и отводом для стиральной машины
Нет в наличии
Цена действительна только для интернет-магазина и может отличаться от цен в розничных магазинах
Задать вопрос
- Описание
- Характеристики
- Отзывы
- Задать вопрос
- Дополнительно
-
ОписаниеСифон для мойки АНИ Пласт F серия F5345S — это современное и функциональное решение для организации слива воды на кухне. Диаметр подключения составляет 3 1/2 дюйма, а диаметр выпуска — 40 мм. Особенностью данной модели является смещенная конструкция, позволяющая экономить пространство под мойкой, гибкий перелив для предотвращения переполнения и отвод для подключения стиральной машины. Сифон изготовлен из прочных и долговечных материалов, устойчивых к воздействию влаги, бытовой химии и высоких температур, что гарантирует долгий срок службы и надёжную работу.
Преимущества сифона для мойки АНИ Пласт F серия F5345S:
Смещенная конструкция позволяет экономить пространство под мойкой, что особенно актуально для небольших кухонь.
Гибкий перелив предотвращает переполнение мойки, защищая от протечек и повреждений.
Отвод для стиральной машины позволяет удобно и безопасно организовать слив воды от бытовой техники, экономя пространство и упрощая подключение.
Простая установка не требует специальных навыков и инструментов, что экономит время и средства на вызов сантехника.
Прочные и долговечные материалы обеспечивают долгий срок службы и надёжную работу, минимизируя необходимость в замене и ремонте. -
Характеристики
Назначение Для кухонной мойки Коллекция F серия Страна Россия Цвет Серый Область применения Для дома ОтзывыЗадать вопросВы можете задать любой интересующий вас вопрос по товару или работе магазина.
Наши квалифицированные специалисты обязательно вам помогут.ДополнительноДополнительная вкладка, для размещения информации о магазине, доставке или любого другого важного контента. Поможет вам ответить на интересующие покупателя вопросы и развеять его сомнения в покупке. Используйте её по своему усмотрению.
Вы можете убрать её или вернуть обратно, изменив одну галочку в настройках компонента. Очень удобно.












































































































