Будьте всегда в курсе!
Узнавайте о скидках и акциях первым
Новости
Все новости
1 июня 2022
Туалетные кабинки EcoGR
10 марта 2022
Инструмент от компани SLOGGER
6 октября 2021
Kiilto Saumalaasti затирка для швов новинка
21 июня 2021
Наконец-то мы переехали на новый сайт!
16 апреля 2021
Рулонные шторы LEGRAND в Дмитрове в наличии и на заказ
23 октября 2020
Новинки в продаже от INGCO инструмент
4 ноября 2019
Уже открылись!!!
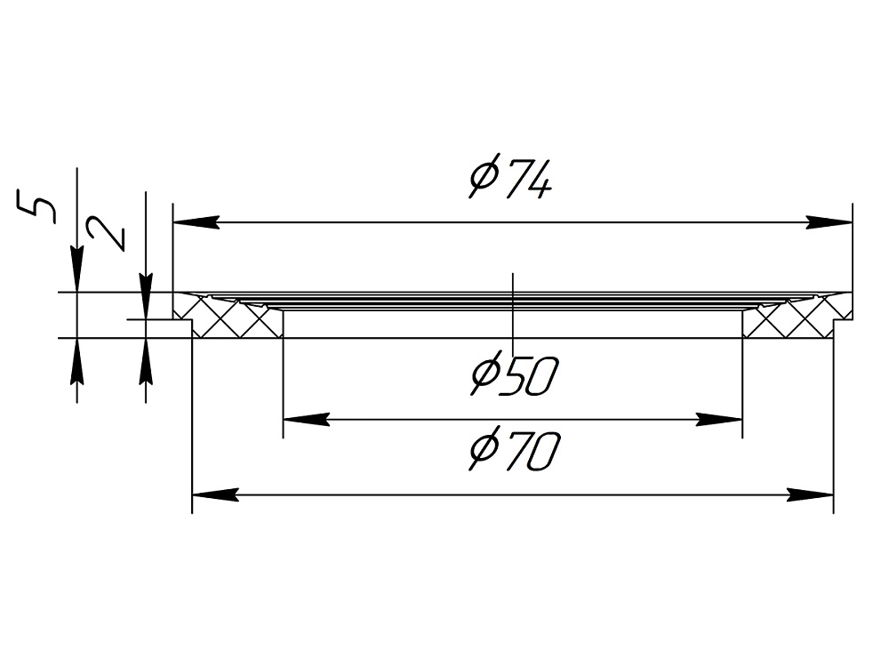
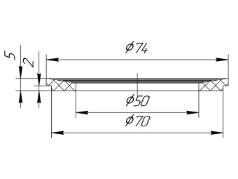
Прокладка универсальная АНИ Пласт M045 70 мм
Нет в наличии
Цена действительна только для интернет-магазина и может отличаться от цен в розничных магазинах
Задать вопрос
- Описание
- Характеристики
- Отзывы
- Задать вопрос
- Дополнительно
-
ОписаниеПрокладка универсальная АНИ Пласт M045 диаметром 70 мм — это многофункциональное уплотнительное решение для различных сантехнических соединений. Изготовленная из качественного материала, прокладка обеспечивает надежную герметизацию и эффективно предотвращает протечки в системах водоснабжения и канализации.
Преимущества прокладки M045:
Универсальность применения — подходит для различных сантехнических соединений диаметром 70 мм
Надежная герметизация — обеспечивает плотное прилегание и защиту от протечек
Качественный материал — устойчива к деформации, износу и воздействию воды
Долговечность — сохраняет эластичность и функциональные свойства при длительной эксплуатации
Простота монтажа — легко устанавливается без специальных инструментов и приспособлений
Область применения:
Герметизация соединений в системах водоснабжения и канализации
Уплотнение стыков между сантехническими приборами и трубопроводами
Ремонт и замена изношенных уплотнителей в сантехническом оборудовании
Прокладка АНИ Пласт M045 — это универсальное и надежное решение для обеспечения герметичности сантехнических соединений, отличающееся простотой монтажа и длительным сроком службы. -
Характеристики
Страна Россия ОтзывыЗадать вопросВы можете задать любой интересующий вас вопрос по товару или работе магазина.
Наши квалифицированные специалисты обязательно вам помогут.ДополнительноДополнительная вкладка, для размещения информации о магазине, доставке или любого другого важного контента. Поможет вам ответить на интересующие покупателя вопросы и развеять его сомнения в покупке. Используйте её по своему усмотрению.
Вы можете убрать её или вернуть обратно, изменив одну галочку в настройках компонента. Очень удобно.

























































































